-
VR/AR散热方案介绍
随着虚拟现实(VR)和增强现实(AR)技术的不断发展,设备性能日益增强,同时也带来了更高的功耗和散热需求。有效的散热方案对于保证设备的稳定运行和延长其使用寿命至关重要。 VR/AR一体机是将独立运算系统、光学显示系统、音频系统、感知交互系统高度集成在一体空间的头戴式智能装备。在逐渐智能化发展的同时,也在向轻薄化、高性能和多功能方向发展。性能越来越强大,集成度和组装密度不断提高,导致其工作功耗和发热…- 553
- 0
-
风机的动压、静压、全压有什么区别?如何测试不同类型的压力?
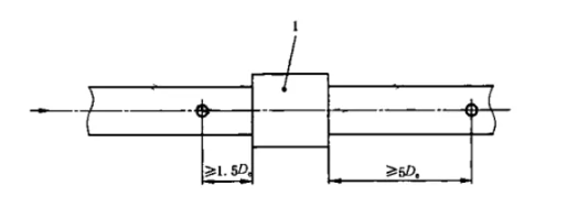
风机的压力是风机设备的重要参数之一,搞清楚风机压力的定义对风机的正确采购、运营和维护非常重要。 风机的压力分为静压、动压和全压。 静压: 风机静压是指气体对平行于气流的物体表面作用的压力, 通常用PS来表示,静压是用来克服系统阻力的压力。 静压是通过垂直于表面的孔测量出来的,测量孔的位置通常按照GB/T1236或者GB/T10178来进行,见下面的示意图。测量点到风机入口截面的距离至少为风道直径的…- 783
- 0
-
风机的风量、风压、功率和转速的关系及相关计算公式,工业离心风机、轴流风机、混流风机、罗茨风机的选型和应用,常用参数换算关系
通常风机水泵类负载多是根据满负荷工作需用量来选型,在风机选型和运行过程中,了解风量、风压、功率和转速之间的关系非常重要。 风机选型与应用 风量、风压和功率之间的换算 风机风量、风压和功率之间并不是简单的线性换算关系,风机的性能还会受到诸如风机类型、转速、叶片角度、风道设计和气体密度等多种因素的影响,但是我们可以根据一些基本的原理和简化的公式来理解它们之间的关系。 通过这些关系,在风机选型时,如果已…- 1.1k
- 0
-
散热风扇分类、吹风方式与安装原则
在电子设备的世界里,散热风扇是不可或缺的守护者,它们默默地工作,确保着设备在最佳温度下运行。然而,散热风扇的世界远比我们想象的要复杂。它们有着不同的分类、吹风方式,以及安装原则,这些都是确保散热效果的关键因素。1、分类 按工作类型分:有轴流式风扇、鼓风式风扇离心风扇、混流风扇三类。轴流式风扇:轴流式风扇的特点是进风与出风成同一方向,通常是沿风扇中心的轴方向。这种风扇具有大风量、压力下、噪音小、长寿…- 601
- 1
-
【新品】车用影音娱乐系统AF40x10mm轴流风扇上市!
高效散热x精准控速 建准车用影音娱乐系统风扇继AF40x20mm,紧接着推出更薄的AF40x40x10mm散热风扇,透过风扇流道和结构优化设计,达到高效散热的特性,整体性能符合车用影音娱乐系统散热需求,其静音设计更提供驾驶者高质量的影音娱乐和舒适的驾驶体验。 建准AF40x40x10mm风扇通过高标准的车规验证,并提供节能的PWM和closed-loop精准控速功能与IP52防尘防水功能,满足汽车…- 15
- 0
-
至2032年,全球散热风扇市场将达到212亿美元
市场研究机构 Future Market Insights 的最新报告显示,2017 年至 2022 年期间,全球冷却市场以 7.5% 的复合年增长率增长。而随着汽车、消费电子、IT 和电信等行业的快速增长,以及在机械和电气设备方面对高效冷却解决方案的需求的不断增长,全球散热风扇市场将在 2022-2032 年间以10.4% 的复合年增长率增长,至 2032年,全球市场估值将达到 212 亿美元。…- 601
- 0
-
无叶风扇的发展现状及前景展望
无叶风扇,即没有叶片的风扇,实质上并非真正无叶,而是将叶片隐藏在特制的壳体内,没有外露的扇叶。无叶风扇最早于1981年由日本东京芝浦取得设计专利,但是没有投入生产,相似设计的无叶风扇于2009年,由英国詹姆斯·戴森制造及投入市场。- 647
- 0
-
-
使用Flotherm散热仿真物理学原理 第12-15章:芯片热功耗趋势/附录/封装/风扇
使用Flotherm进行电子散热仿真过程中涉及的物理学原理 第12-15章:芯片热功耗趋势/附录/封装术语/风扇- 2.1k
- 0
-
经典案例:5G努比亚红魔手机散热方案介绍
其新一代的红魔5G不仅采用了液冷散热,而且内置了一颗高效能离心风扇,其转速达到了惊人的15000转/分(上一代是14000转/分),通过CAE仿真技术,优化设计风扇叶片形状及入口角,进一步提升风扇散热效率,并且全新设计升级的南北通透的风道(风道散热器整体表面积提高56%)- 6.9k
- 0
-
-
-
深圳市飞荣达科技股份有限公司
深圳市飞荣达科技股份有限公司,1993年创立于深圳,国家高新技术企业,主要产品为电磁屏蔽材料及器件、导热材料及器件和其他电子器件,是中国领先的、创新型专业电磁屏蔽及导热解决方案服务商。- 1.8k
- 0
-
爱美达Aavid Thermalloy
Aavid(爱美达):全称美国Aavid Thermalloy成立于1964年(当时名为Aavid Engineering),是专门致力于解决热问题的资格最老和规模最大的企业。2017年被宝德(Boyd Corporation)收购.- 5.3k
- 0
-
力致科技股份有限公司
力致科技股份有限公司成立于1997年,在如电脑、VGA、LED灯、伺服器、汽车、智慧型手机、及生技应用, 一直专注研究发展相关散热管理之产品开发。力致在散热解决方案上,实务经验丰富。- 4.9k
- 0
-
奇宏科技股份有限公司AVC(Asia Vital Components Co., Ltd)
奇鋐科技股份有限公司,AVC(Asia Vital Components Co., Ltd) 成立於1991年,台灣股票上市公司 (股票代號3017),羅素全球成份股。天下雜誌出刊台灣2000大製造業2019年排名第96名;台灣智慧財產局公告:「本國法人專利申請百大排名」2019年排名第30名。- 11.4k
- 0
-
SUNON风扇在汽车电子领域解决方案
SUNON以独创DR MagLev防阻微尘磁浮马达风扇技术,结合高安全性、高可靠度、高效能产品特色,并通过耐酸、耐盐雾GR487验证、1000沙漠地区测试、ESD 静电防护等严苛测试,满足客户高质量的要求- 1.3k
- 0
-
-
SUNON在逆变器、储能系统、充电桩等能源设备散热方案
SUNON GF风扇系列兼具高效能与高防护设计,可提供防尘防水IP68最高等级与GR487耐盐雾等防护,满足恶劣环境下用运作的太阳能PV逆变器、ESS 储能系统、充电桩等能源设备最佳散热方案。- 6.6k
- 0
-
SUNON在人工 智能_物联网行业的应用
提供Aiot 与网络通讯设备优异散热解决方案,建准为此产业量身打造高风量、高风压、高IP防护、节能、与风扇侦测、控制等各种技术的风扇因应不同世代的网通产品需求,建准毫米微型风扇则是为行动装置提供优异散热解决方案,建准无所不在的散热系统让您的智能生活畅行无阻更便利。- 2.2k
- 0
-
-
SUNON风扇在监控服务领域的应用
SUNON MF系列风扇提供低噪音、高散热效率,针对户外监控系统可客制化提供IP55防尘防水设计,能有效为监控设备提供优异散热、延长设备使用寿命、维持长时间监控的任务。- 4.8k
- 0
风扇
幸运之星正在降临...
点击领取今天的签到奖励!
恭喜!您今天获得了{{mission.data.mission.credit}}积分
我的优惠劵
-
$优惠劵使用时效:无法使用使用时效:
之前
使用时效:永久有效优惠劵ID:×
没有优惠劵可用!











































