储能科学与技术,中国知网 | 来源
锂离子电池低温快速加热方法研究进展 | 题目
王军,阮琳,邱彦靓 | 作者
中国科学院大学,中国科学院电工研究所 | 单位
摘要:锂离子电池的性能直接影响电动汽车的续航、安全性和可靠性。低温环境下,锂离子电池功率特性变差、循环寿命衰减、可用容量降低,同时面临低温充电难、充电易析锂等问题,这些因素阻碍了电动汽车的发展。低温加热技术是电池热管理系统的核心技术之一,是缓解动力电池在低温环境下性能衰减的关键。本文综述了包括内部自加热法、MPH 加热法、自加热锂离子电池、交流加热法等低温快速加热方法的最新研究进展,并总结了不同加热方法的加速速度、能量消耗、循环容量损失等关键性能参数。另外归纳了动力电池低温热管理系统的设计目标,并对不同加热方法性能进行比较分析。分析结果表明,交流加热法相比于其他方法更具优势,尤其在能量消耗、电池老化方面。最后,指出现有研究在电池老化机理研究、电池组/包层面加热策略研究方面的不足,并展望了未来的研究方向。本文内容有利于低温加热方法的发展和实际工程问题的解决,可为后续电动汽车动力电池的低温快速加热技术研究、低温热管理系统设计提供参考。
关键词:电动汽车;锂离子电池;低温快速加热方法;设计目标
随着经济、社会的快速发展,人类对能源的需求与日俱增,在交通领域更甚。而在化石能源日益枯竭和环境污染的大背景下,新能源汽车具有广阔的发展前景。近年来,以纯电动汽车为主的新能源汽车发展迅猛,有望取代传统内燃机汽车。动力电池是电动汽车的关键部件之一,其性能直接影响电动汽车的安全性、舒适性和经济性。
续航里程、充电时间和使用安全性是电动汽车的推广过程中最重要的指标。锂离子电池因其高功率密度、高能量密度、电压高、使用寿命长、自放电率低等特性,而被广泛应用于电动汽车的能源储存系统。然而锂离子电池的性能受环境温度的影响显著。尤其在低温环境下,锂离子电池的电解液和固体电解质界面膜(solid electrolyte interphase, SEI)的电导率降低、离子固相扩散率减慢、负极过电位增大,这些因素都将导致锂离子电池的输出功率、能量密度和使用寿命大幅衰减,甚至影响驾驶安全性。常见的以石墨为负极的锂离子电池工作于-10℃时,容量和工作电压会明显降低。而在-20℃的极端环境下,锂离子电池的内阻更是陡增,显著削弱电池的充、放电性能。同时,在低温环境下,电池充电时发生析锂的风险增加,锂枝晶生长将刺穿电池隔膜,造成电池内部短路,对电池造成不可逆损伤。
目前主要从两个方面提高动力电池在低温环境下的性能:①研究开发低温特性更好的电解液和电极材料;②研究电池低温加热策略。短期内开发出能够适应低温环境的电池材料难以保证。相比之下,从电池热管理系统的角度研究低温加热策略更具可行性。
近年来,针对电池低温加热问题,已经有大量的学者做过研究和分析。目前,低温加热策略的研究主要集中于实现难度较低的外部加热方法。外部加热法的热源位于电池外部,具有较为成熟的理论基础和丰富的工程经验,目前商用电动汽车大多采用这一解决方案。但是外部加热法存在加热速度慢、能量利用效率低、温度分布不均匀等固有缺陷。针对外部加热方法存在的问题,学者们开始研究电池内部产热的低温快速加热方法,如交流加热法、内部自加热法、自加热锂离子电池等。相比于外部加热方法,低温快速加热方法具有加热速度快、能量利用效率高、温度分布均匀等优势。但是,对于电动汽车应用而言,低温快速加热方法的研究仍存在很多难点和挑战。一方面,为寻求缩短加热时间和延长电池寿命之间的平衡,激励电流参数需要优化。另一方面,激励电流对电池老化的影响缺乏电化学机理层面的研究,存在较大的安全风险。此外,对于动力电池低温热管理系统缺乏统一的设计标准和评价指标,不利于工程推广应用。
低温快速加热方法仍有很多难点需要解决,相关理论和特性的最新研究进展亟需加以总结。鉴于此,本文对低温快速加热方法相关理论和特性的最新研究进展进行综述,并提出了低温热管理系统的设计标准和评价指标,旨在为后续电动汽车动力电池的低温加热技术研究和低温热管理系统设计提供参考。
01 低温快速加热方法
低温快速加热方法利用其在低温下的高阻抗特性在充放电过程中产生大量电化学热,从内部加热电池。这种加热方式有效克服了电池自身材料的低导热系数对加热速度的限制,简化了传热路径。因此,低温快速加热方法具有加热速度快、能量损耗低、温度均匀性高等优势。
现有的低温快速加热方法可依据加热电路差异划分为内部自加热法、MPH(mutual pulse heating)加热法、自加热锂离子电池、交流加热法。内部自加热法以电池自身及外部负载构成加热电路;MPH 加热法以电池自身、外部储能元件(如电池或电容器)构成加热电路;自加热锂离子电池不需要外部电路;交流加热法一般以外部交流电源和电池组成加热电路。
1.1 内部自加热法
一般而言通过对电池进行充电或放电都可以达到自加热的目的。但在低温环境下,对电池充电存在析锂的风险。因此,必须严格控制充电电流的幅值,这就导致充电加热法的加热速度很慢。相比之下,得益于放电过程中负极较高的电位,电池几乎不存在析锂的风险。因此,放电自加热法更具应用价值。就简单应用而言,存在恒电压放电和恒电流放电两种模式。
Ji 等对电池建立了电化学-热耦合模型,研究比较了恒电压放电和恒电流放电两种模式。根据仿真结果,一节 2.2Ah 的 18650 圆柱电池在 2C 恒电流放电模式下可以在 420s 内从-20℃升温至 15℃,加热速度达到 5℃/min;而相同的电池在 2.8V 恒电压放电模式下可以在 360s 内从-20℃升温至 20℃,加热速度达到 6.67℃/min。提高恒电流放电的放电电流或降低恒电压放电的放电电压可以进一步提高加热速度,但需要避免电池电压降至截止电压以下及加速电池老化。Wu 等进一步研究了恒电流放电模式下放电倍率、加热速度和能量消耗之间的关系。结果表明,一节 2.6Ah 的商用 18650 圆柱电池在 1C 和 2C 放电倍率下将电池从-10℃加热至 5℃分别耗时 1080s 和 280s,加热过程耗能分别占到电池容量的 30%和 15%。Du 等研究发现恒电流放电的电流幅值与电池容量衰减率成正相关,与加热时间成负相关。为了寻求容量衰减和加热时间的平衡,采用动态规划算法优化电池放电电流。采用优化之后的恒电流放电加热策略能使加热速度最快达到 2.1℃/min。
为了明确恒电流放电模式和恒电压放电模式对电池的影响,Ji 等提出以表征固相扩散率的变量iSOC 作为评价指标。选定产热量接近的 4C 恒流放电和 2.2V 恒压放电作为计算工况,将隔膜附近 iSOC的值表示为时间的函数。放电一段时间后,恒压放电模式的 iSOC 值基本稳定,而恒流放电模式的 iSOC值则起伏较大。由于低温环境下固相扩散率的限制,不稳定的 iSOC 值可能会导致电池停止工作。因此,为了保证电池工作的可靠性,采用恒压放电加热方法更具可行性。
恒压放电加热方法兼具加热速度快、安全可靠性高等优点,但如何实现更快的加热速度、更高的能量利用效率并减少对电池循环寿命的损伤等问题仍有待解决。为明确低温环境下恒压放电工况对电池老化的影响,并进一步提高加热速度,Ruan 等通过恒压放电循环加热老化实验得到了-30℃环境下描述电池放电电压和老化程度的半经验老化模型。实验发现,电池放电电压与加热时间成正相关,而与电池老化程度成负相关。为了寻求加热速度和电池老化之间的平衡,以加热速率和容量损耗为优化目标,利用基因遗传算法得到不同权重下的最优电压值。当权重为 0.3 时,电池以最优电压值 2.43V 循环加热电池 2000 次后的容量损失仅为 4.95%,而加热速度达到 18.7℃/min。
内部自加热法可与其他外部加热方法相结合,提高对电池输出能量的利用效率。Mohan 等以电池自身为电源,通过 DC/DC 电路驱动加热器产热。加热器加热冷空气,同时以风扇使热空气在电池包内循环流动。此时,电池自身产热和外部热空气共同加热电池。为了减少加热过程能量损耗、提高加热速度,Mohan 等提出以加热过程能量损耗为优化目标,以电池厂商提供的电流、电压限制为约束条件,计算得到 DC/DC 电路中晶闸管的优化控制信号。研究表明,电池优化放电过程为恒压放电、恒流放电和静息期的组合,采用优化放电方法可使电池加热速度达到 16℃/min。Ruan 等将薄膜加热器贴于电池表面,以电池放电能量驱动加热器,提出了恒压放电内部自加热法与外部加热法相结合的复合加热方法。分别建立了电池的分布式等效热路模型、等效电路模型和电池老化模型,用于分析和优化所提出的复合加热方法性能。采用遗传优化算法以加热速度、容量损失和电池温差为优化目标,以电池电压和电池表面热阻为约束条件,得到了不同权重系数下的电池最优放电电压。相比于恒压放电内部自加热法,采用优化复合加热方法可使电池加热速度提高 60.8%,能量消耗降低 54.8%,容量不可逆损失减少 45.2%。
内部自加热法电路构成简单,实现成本低,并且具有相当高的加热速度。但其加热过程中大量能量消耗在外部负载上,未得到充分利用,导致内部自加热法的能量利用效率偏低。加热过程中电池以高倍率电流放电,可能会造成电池过放电及增加电池老化的风险。同时,内部自加热法加热过程中超过 15%的电池容量消耗使得其仅适用于电池荷电状态(state of charge, SOC)较高的工况下使用,否则将导致电池能量耗尽。
1.2 MPH 加热法
MPH 加热法以电池与另一储能元件(如电池、电容)组成加热回路,以电池的充放电过程实现加热电池。Ji 等将电池包中的电池划分为容量相等的两组,并以升压电路将两组电池连接。通过开关管的通断,使得两组电池交替处于充电、放电的状态。为保证两组电池容量的平衡,将两组电池充、放电的时间设为相等。研究发现,相比于内部自加热方法,双向脉冲电流加热法能够实现更高的加热速度和能量利用效率,并且降低了电池老化的风险。当设定脉冲间隔为 1s,环境温度为-20℃,脉冲电压幅值为2.8V 时,将电池从-20℃加热至 20℃耗时 220s,加热速度达到 10.9℃/min,而能量消耗为电池容量的5%。
为达到更高的加热速度并减少加热过程中的电池老化风险和能量损耗,需要对脉冲电流的参数进行优化选取。Mohan 等以加热时间和能量消耗为优化目标优化双向脉冲电流参数。在加热过程中,以电池输出的脉冲功率恢复程度作为加热结束的指标。结果表明,优化之后的双向脉冲电流加热法相比于恒压放电加热法降低了 35%的能量消耗。Wu 等基于电池二阶等效电路建立了频域电-热耦合模型,为防止电池处于充电状态时发生析锂,需要在不同温度和频率下对脉冲电流的幅值加以限制。以电池 SOC为 0.5 时负极发生析锂的临界平衡电压为限制条件,得到了不同温度下的最优脉冲电流频率和幅值。采用优化之后的脉冲电流参数对电池加热,得到的最大加热速度为 4.87℃/min,循环加热 30 次后的容量损失为 0.035%。
总的来说,MPH 加热法能够实现较高的加热速度,保证良好的温度均匀性。相比于放电自加热方法,MPH 加热法消耗的电池能量大都用于电池内部产热,仅有较少的能量消耗在外部电路上。因此,MPH 加热法的能量利用效率较高。加热过程中的能量消耗一般不超过电池容量的 10%,加热时间一般不超过 5分钟。为减少脉冲电流加热策略对电池老化的影响,需要从模型出发优化脉冲电流的幅值和频率。
1.3 自加热锂离子电池
2016 年宾夕法尼亚大学王朝阳团队首次提出了一种称为“全气候电池”的电池新结构,如图 1(a)所示。该结构将具有一定阻值的薄镍片预埋入电池内部,以薄镍片为热元件从内部对电池加热。薄镍片引出两个极耳,其中一个极耳连至电池负极,另一个极耳单独引出一极,称为激活极(activation terminal,ACT)。见图 1(b),当电池需要加热时,开关闭合,将激活极与正极连接,电流流经电池自身及薄镍片产生热量对电池加热。当电池达到预设温度时,开关断开,薄镍片被旁路,电池正常工作。实验结果表明,所提出的自加热锂离子电池能够分别在-20℃、-30℃环境温度下在 19.5s、29.6s 内将电池加热到0℃,分别消耗 3.8%、5.5%的电池容量使加热速度达到 61.2℃/min、60.8℃/min。

图 1 全气候电池
对正极和激活极之间的开关施加不同的控制信号,可使自加热锂离子电池适用不同的应用场景。Zhang 等提出了一种新的加热控制策略使得电池加热过程和正常工作可以同步进行。见图 1(c),当电动汽车处于正常行驶状态时,开关断开;当电动汽车处于制动能量回收状态,开关闭合,使得制动电流流经薄镍片进而加热电池;当电动汽车处于停止状态时,仍然控制开关闭合,电池放电电流流经薄镍片和自身内阻进而加热电池。结果表明,在 US06 行驶工况下该方法能够在-40℃环境中在 112s 内将电池加热至 10℃,并使续航里程增加 49%。Wang 等进一步研究了自加热锂离子电池在充电状态下的加热方法,并提出了在正极和激活极之间施加脉冲电流的控制策略。通过实验研究了不同环境温度下该加热策略的加热性能及其对电池循环寿命的影响。结果表明,该加热控制策略能够分别在-10℃、-20℃、-30℃环境温度下分别在 54s、77s、90s 内将电池加热至 10℃,加热过程耗能低于 2%的电池容量。
自加热锂离子电池可以在短时间内产生大量热量,并且薄镍片产生的热量占主导。然而,电芯的叠层结构使电池在厚度方向仅有很小的传热系数,造成电池内部形成了从薄镍片指向电池外表面的很大的温度梯度。电池内部不均匀的温度分布进一步造成了电流分布不均匀,影响加热效率及电池寿命。为提高加热过程电池内部的温度均匀性,Yang 等提出了镍片多片并联结构,即在电池内部不同位置处并联布置多个镍片,如图 1(d)所示。采用所提出的多片并联加热结构能够显著提高电池内部温度均匀性。当采用三片并联结构时,电池内部的最大温差可以控制在 5℃以内。同时,采用多片并联结构可以显著降低能量消耗,当采用三片并联结构时,加热能量消耗相比于单片结构降低了 27%。Lei 等提出了间歇性加热策略以提高自加热锂离子电池的温度均匀性。具体来说,电池的加热过程并不是持续进行的,而是加热过程和静置过程周期交替进行的。将电池在-20℃环境下加热 30s 后,采取持续加热策略的电池内部温差可达 11℃,而采取加热 0.1s、静置 0.3s 的间歇性加热策略的温差仅为 2℃。
尽管自加热锂离子电池内部在加热过程中会产生一定的温度梯度,但其温均性和加热速度相较于传统外部加热方法仍具有显著优势。Yang 等以一块容量 40Ah、厚度 34mm 的锂电池为研究对象,从加热速率、局部最高温度两方面比较了内部自加热法、外部电阻加热法、自加热锂离子电池的性能。在相同条件下,自加热锂离子电池的加热速度约为 60℃/min,而外部电阻加热法的加热速率仅为 1℃/min。尽管增大外部电阻的加热功率可以提高加热速度,但电池厚度方向的低导热系数却可能导致热量在电池表面积聚而发生局部过热。Lei 等建立了三维有限元模型研究双片并联结构自加热锂离子电池和宽线金属薄膜加热法的暂态热特性。仿真分析结果表明,在相同条件下,宽线金属薄膜加热法的最大温差是双片并联结构自加热锂离子电池的三倍。研究发现,降低加热功率、减小电池厚度、延长静置时间等策略可以进一步提高自加热锂离子电池的温度均匀性。
自加热锂离子电池具有相当高的加热速度并且能量利用效率高,延长了低温环境下电池的循环寿命。同时,对正极与激活极之间的开关施加不同的控制策略可使自加热锂离子电池适用于放电加热、充电加热、正常行驶加热等多个应用场景。尽管自加热锂离子电池可能会造成电池内部温度分布不均匀,但通过多片并联结构设计或间歇式加热策略可有效控制最大温差。然而,自加热锂离子电池需要改动电池内部结构,降低了电池的能量密度。同时,一旦电池发生热失控,嵌入电池内部的高活性镍片将使电池面临严重的安全风险。因此,自加热锂离子电池需要采取谨慎而有效的控制策略并且准确监控和预测电池内部温度,防止电池发生过热威胁驾驶安全。
1.4 交流加热法
交流加热法通过给电池施加交流电流产生热量,从内部加热电池。周期性的充、放电过程能够快速加热电池,并使得电池 SOC 保持不变。交流加热法可使用外部交流电源,使得加热过程不消耗电池自身能量。在形式各样的交流电波形中,正弦交流电应用最为广泛。
明确交流电流的参数对加热性能的影响对于交流加热法的应用具有指导意义。Hande 等设计了高频变流器产生 10~20kHz 交变电流,并首先提出了以高频交流电加热 NIMH 电池的加热策略。通过实验研究了交流电流的幅值、SOC 和环境温度对电池加热时间的影响。研究发现,随着电流幅值的增加,加热到相同温度所需要的时间缩短。Ji 等建立了交流加热法基于时间的电化学-热耦合模型,从电化学机理的角度进一步探究了交流电频率对加热性能的影响。为研究交流电频率的影响,采用?(?) = 3.8−cos(2???)的交流电压信号在-20℃环境下加热电池。其中,电压频率试验值分别设为 0.01Hz、0.1Hz、1Hz、60Hz 和 1000Hz。实验结果表明,电池加热时间随着交流电压频率的增加而减小。
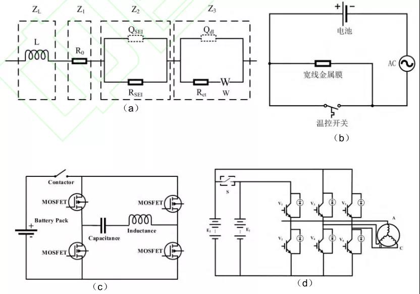
改变交流电的幅值和频率都将影响电池内部产热功率,进而影响电池加热速度。为缩短加热时间,需要对交流电参数的选取作进一步研究和优化。Zhang 等建立了基于频域的电池等效电路模型,如图2(a)所示。以电池产热模型为热源,建立了电池集总参数热模型以预测电池温度。通过电-热耦合模型,研究了不同热边界条件下交流电流幅值和频率对加热速度的影响。结果表明,在一定范围内,较高的电流幅值、较低的电流频率和良好的保温条件有利于提高电池加热速度。并且,通过合理选取交流电流参数,可有效提高加热速度、降低电池发生析锂的风险。Ruan 等发现采用固定参数的交流电对电池加热时电池的升温速度随时间降低,并将之归因于电池极化电压的降低。为最大化加热速度,以 Jiang提出的电池简化等效电路模型为基础,建立了产热量与极化电压、阻抗的关系式。并由此提出了固定极化电压幅值,以不同温度下的最佳频率值实时调整交流电流幅值的优化加热方法。采用优化之后的加热方法,电池从-15.4℃加热到 5.6℃仅需 338s,加热速率为 3.73℃/min。Li 等以电池安全电压为限制,通过实验揭示了不同温度下电流幅值和内阻、频率之间的依赖关系,并得到了电池产热功率随频率的变化曲线。实验发现,在不同温度下,存在最佳电流频率和幅值组合使得电池产热功率取到最大值。基于实验结论,Li 等提出了一种交流电参数温度自适应的交流电加热优化控制策略。在电池加热过程中,依据电池温度,梯级调整交流电的频率和幅值。结果表明,利用所提出的优化加热方法使得电池最大加热速度达到2.31℃/min。Zhang 等进一步研究了交流电参数梯级调整的频率对加热性能的影响。实验结果表明,更高的梯级调整频率有利于缩短加热时间,从而达到的最大加热速率高于 4℃/min。

图 2 交流加热法
当采用交流电流激励对电池加热,一般认为降低交流电流频率有利于提高加热速度。然而,Shang等研究表明在高频范围内(通常高于 10kHz),提高交流电流的频率同样可以提高加热速度。Shang等提出了基于 LC 谐振电路产生高频正弦交流电的交流加热方法,实验研究了高频电流的幅值和频率对加热速度的影响。实验结果表明,在高频范围内(通常高于 10kHz),增加交流电的频率和幅值都可以提高加热速度。为优化高频交流加热法的加热效率,Shang 等建立了考虑高频下电荷传输产热影响的电-热耦合模型,用于指导选取高频交流电的幅值和频率。采用优化高频交流电参数,最大加热速率达到3.57℃/min,并且不会发生析锂。
在实际工程应用中调节交流电频率难以实现。因此,通常采取固定交流电频率,调节交流电幅值的方法提高加热速度。但是,在低温环境下,过大的交流电幅值可能会造成负极析锂。因此,需要限定交流电幅值的范围。Ge 等以防止析锂作为交流电幅值的限制条件。以电池 SOC 为 0.5 时的负极平衡电位为电池过电位的极限值,计算得到不同温度和频率下的最大允许电流值。提出了固定电流频率,根据电池温度实时调节电流幅值的梯级加热方法。Mohan 等以电池制造商提供的电流和电压限制为约束条件,采用预测控制的方法调整交流电流的幅值。Ruan 等以电池极化电压作为计算电流幅值的约束条件,其值设为 0.5V。Guo 等以防止电池过充、过放为目标,确定了路端电压安全范围。提出了以安全路端电压为约束,实时计算最大允许电流幅值的阶梯电流加热法。在后续研究中,Guo 等提出了以防止析锂和电池过充、过放作为确定电流幅值的约束条件,并以两种约束条件下算得的最小值作为电流幅值最优值。Jiang 等以防止析锂为约束条件,推导了不发生析锂的电池过电压阈值,并以此确定电流幅值范围。结果表明,增大电流频率有利于降低发生析锂的风险,但同时也会减少产热量。
交流加热法也可与外部加热法相结合,进一步提高加热速度、降低加热能耗。Sun 等提出将外部电源供能的电加热薄膜贴于电池底面,以电池充、放电过程和电加热薄膜产生的热量同时对电池加热。在-17℃和-27℃环境下,对比分析了加热和不加热情况下的电池放电曲线,采用所提出的复合加热方法可以大幅提高电池放电容量。熊瑞等提出一种结合交流电内加热和宽线金属膜外加热的复合加热方法,如图 2(b)所示。当电池需要加热时,温控开关打开,外部电源施加的交流电流依次流经宽线金属薄膜和电池。当电池温度达到预设温度时,温控开关闭合,宽线金属薄膜被短路,动力电池正常充、放电。相较于交流电加热法,该复合加热方法的加热能耗降低了 23%,加热速度提高了 22%。
车载交流加热方法中以电池放电产生交流电流的电路拓扑结构同样受到研究者们关注。Jiang 等以电池包自身为电源,设计了一种软开关 LC 谐振电路用于产生交流电流,如图 2(c)所示。该谐振电路产生了交流电流和直流电流叠加的电流波形,利用该叠加电流可以提高对电池内部阻抗的利用率,缩短加热时间。采用所提出的方法加热电池包,电池包温度在 600s 内从-20.8℃加热至 2.1℃,加热速度达到2.29℃/min。加热过程仅消耗 6.64%的电池能量,且电池包内的温差仅为 1.6℃。Shang 等基于 LC 谐振电路设计了车载高频交流电流发生器,利用所产生的高频交流电对电池加热,使加热速度达到3.57℃/min。Li 等提出利用现有的车载变频器电路和电机组成交流电流发生器,如图 2(d)所示。通过晶闸管的通断,实现电流在电池和电机之间的流动,快速加热电池和电机。当电流幅值为 4C 时,电池加热速度可达到 8.6℃/min。
调节交流电的幅值和频率可以改变交流加热法的加热速度,但交流电参数对于电池老化的影响尚不明确。为此, Zhu 等通过实验进一步研究了交流电幅值、频率对于电池温升及电池老化的影响。研究发现,更高的电流频率及更低的电流幅值有利于降低电池老化风险。如图 3(a)所示,在高频电流作用下,电池激发时间极短,不发生电荷的转移和扩散过程,因此不会发生析锂。随着电流频率的降低,电荷发生转移和扩散。此时,若电流幅值较低,充电过程嵌入负极固相颗粒的锂离子能够在放电过程中完全脱嵌,因此不会产生死锂,如图 3(b);若电流幅值较高,充电过程产生的锂离子不能完全嵌入负极固相颗粒,如图 3(c)。经过多次充、放电循环之后,即会发生析锂,造成电池容量的不可逆损失。Zhu 等以不同幅值和频率的交流电对电池循环加热数百次,检测了电池的容量、直流电阻和电化学阻抗谱,以此来评估电池的健康状态。同时,通过对电池拆解,利用扫描电子显微镜和能量色散 x 射线光谱技术研究了电池的内部微观形态。结果表明,在合理电压阈值限制下,即使在低频范围(0.5Hz)内,交流加热方法也不会明显加剧电池容量衰减。

图 3 交流加热法的低温老化行为示意图
综上所述,交流加热法具有加热速度快、能量利用效率高、温均性好等显著优势,发展前景广阔。在具有外部交流电源的情况下,交流加热法的加热回路十分简单,易于实现。对于车载交流加热法而言,需要考虑外部交流电流发生器电路对系统成本和体积的影响。交流电频率和幅值可调的特性,使得加热过程可控,且存在进一步优化的空间。此外,充分研究和理解交流电流对电池老化的影响有利于实现高效、安全的加热方法。然而,现有研究中,交流加热法对电池老化的研究仅停留在对电池容量的分析,还需要进一步从电化学机理的角度研究。此外,目前文献中交流加热方法的应用对象大多是电池单体,以电池模组和电池包为研究对象的文献较少。考虑到电池成组之后的不一致性,仅以电池单体为研究对象而发展的交流加热法可能会导致电池组或电池包内产热不均匀,产生内部温度梯度,加速电池老化。
1.5 低温快速加热方法总结
以能量消耗、加热速度、温差(温度均匀性)和电池老化作为性能指标,对上述加热方法进行了详细对比,如表 1 所示。
表 1 低温快速加热方法总结

低温快速加热方法从内部加热电池,缩短了传热路径,能够达到快速加热的目的。其中,自加热锂离子电池以内部薄镍片加热电池,造成温度均匀性较差。交流加热法使用外部电源,其他加热方法均需要消耗电池自身能量。能量消耗是评价加热方法性能的重要指标。加热过程中可能发生的电池老化是低温快速加热方法的主要关注点。对于内部自加热法和自加热锂离子电池,其加热过程电池处于放电状态,虽然不会发生负极析锂等直接损伤,但长期高倍率放电会加速老化。对于 MPH 加热法,需要避免在低频率、高 SOC 工况下使用,以降低电池负极析锂风险。对于交流加热法,使用高频电流有利于降低老化风险;而低频电流应谨慎使用,并需加以额外的限制(如电压限制)避免对电池的不可逆损坏。
02 电池低温热管理系统的设计目标
低温环境下,为恢复锂离子电池的功率和容量、避免发生析锂,电池热管理系统需要提前将电池加热至适宜温度。然而,将电池从低温加热至适宜温度需要消耗大量能量,这使得电池加热技术相比于电池冷却技术更加困难。对于能量储存有限的电动汽车而言,电池加热所消耗的能量将直接影响电动汽车的续航能力。因此,为保证乘员舱舒适性和减少能量消耗,需要优先考虑电池加热方法的能量优化控制策略。
对于实际应用而言,电动汽车冬季预热时间不宜过长。通常以设置合理的预热目标温度及加热功率缩短预热时间。对于电池汽车的冷启动工况,目标温度一般设置为略高于 0℃,此时电池已经可以恢复大部分功率性能。而对于电池汽车的快充工况,为防止负极发生析锂,则需要设置更高的预热目标温度。
电池、电池模组、电池包的性能除了与温度相关,还与其温度均匀性相关。不均匀的温度分布将导致电流和 SOC 分布不均匀,进而导致电池包容量下降、功率性能衰减、局部加速老化。为此,加热策略的设计需要考虑加热过程中电池、电池模组及电池包的温度分布均匀性,通常整体温度差异需要控制在 5℃以内。
电池不仅在低温环境有加热需求,在高温环境也存在冷却需求。而在电池包中,加热系统与冷却系统共用工作空间,存在相互影响的可能性。因此,设计电池加热系统时应将不影响电池冷却系统的工作和性能作为重要考虑因素,保证电池热管理系统能够高效执行加热和冷却模式。
此外,电动汽车的低温加热策略还需要考虑系统的成本、复杂度、可靠性等因素。综上所述,电动汽车低温加热策略的设计主要考虑以下因素:
(1)加热策略的能量消耗;
(2)加热策略的预热时间;
(3)加热过程中电池、电池模组、电池包的温度均匀性;
(4)加热策略对电池老化的影响;
(5)保证冷却系统的性能;
(6)包括建设成本、工作成本、维持成本在内的系统综合成本;
(7)考虑加热系统设备、重量、体积的系统复杂度;
(8)系统的安全性和可靠性;
低温快速加热方法主要以电池自身发热达到加热目的,一般不会对现有的冷却系统产生影响。因此,选取电池加热策略设计目标中的能量消耗、加热速度、温度均匀性、电池老化、系统复杂度、安全可靠性作为评价指标,以自加热锂离子电池的性能指标作为基准,依据表 1 对不同加热方法进行定性比较,如图 4 所示。经分析可知,交流加热法相比于其他方法更具优势,尤其在能量消耗和电池老化方面。

图 4 不同方法性能对比
03 结论
在低温环境下,锂离子电池的性能显著下降。为提高动力电池低温性能,对其进行加热尤为重要。本文系统地综述了低温快速加热方法的最新研究进展,提出了电池加热策略的设计目标。最后,以电池加热策略设计目标的部分因素作为评价指标,横向对比了不同方法的优势和不足。
低温快速加热方法在温度均匀性、能量消耗及加热速度等方面具有显著优势。其中,内部自加热法可以应用于处于行驶状态的车辆,电池放电能量可用于驱动其他车载用电设备。MPH 加热法以电池、储能元件、可控开关器件组成回路以产生脉冲电流,优化脉冲电流的幅值和频率可实现安全、高效的加热过程。自加热锂离子电池具有加速速度快、能量消耗低的优势,但其需要改造电池内部结构,安全可靠性有待验证。交流加热法则需以准确的电池模型为基础,目前仅在单电池层面取得了较多的研究成果,对于电池模组/电池包层面的相关理论和模型仍需深入研究。
对于电动汽车应用而言,低温快速加热方法的研究仍处于初级阶段。低温环境下如何高效、安全的加热电池仍充满挑战。为加快内部加热法和复合加热法的工程应用进度,还存在以下几个方面的问题亟待解决:
(1) 现有研究中加热策略对电池老化的研究不足,电流参数在电化学机理层面对电池寿命的影响有待深入研究。后续研究应建立电池的电化学模型,从机理层面揭示电流参数对电池老化的影响,明确不同运行条件下电池不发生老化的电流参数范围,进一步提高加热效率和安全性。
(2) 现有加热方法研究中研究对象多为单体电池,对于电池模组、电池包层面的研究不足,而模组内的温度均匀性将在很大程度上影响电池组的性能及老化速率。电池产热模型和热模型是低温热管理系统设计的理论基础,后续研究应进一步从单体电池、电池模组、电池包等层面研究准确、高效的电-热耦合模型,考虑电池不一致性的影响,提高温度预测的精度和速度,为系统优化设计、加热控制策略设计提供理论支撑。
参考文献 略
原文信息 DOI:10.19799/j.cnki.2095-4239.2021.0528










